
Graugussgehäuse, Lagereinsatz mit Gewindestiften am Innenring, Dichtung mit Schleuderscheibe
Gehäuselagereinheiten mit Lagereinsätzen und Gehäusen aus Guss, Stahl oder Kunststoff.
Dieses Kit enthält folgende Referenz(en)
- UC211D1
- P211D1
Einloggen
Um dieses Produkt in Ihren Warenkorb zu legenDocumentation
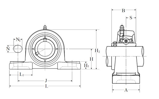
Product information
| PRODUCT DEFINITION | |
|---|---|
| Marke | NTN |
| A - Gehäusebreite | 60 mm |
| Insert IR width (B) | 55,6 mm |
| Bore dia. (shaft diameter) | 55 |
| h - Höhe der Lagermitte | 63,5 mm |
| H1 - Höhe des Gehäusefußes | 23 mm |
| H2 - Höhe des Gehäuses | 126 mm |
| Distance of attachment bolt holes (J) | 171 mm |
| L - Gehäuselänge | 219 mm |
| L1 - Länge Gehäusefuß | 65 mm |
| u - Montagebohrung (Breite) | 20 mm |
| N1 - Länge Montagebohrung | 23 mm |
| Distance IR face - middle of bearing raceway (S) | 22,2 mm |
| Mounting bolt size (-) | 16 mm |
| OTHER FEATURES | |
|---|---|
| Masse | 3,4 kg |