
Se connecter
Pour ajouter ce produit au panierDocumentation
Product information
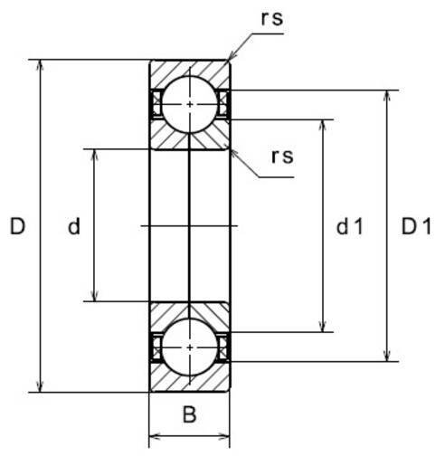
| DEFINITION TECHNIQUE | | Marque | NTN |
| d - Diamètre Intérieur | 55 mm |
| D - Diamètre Extérieur | 120 mm |
| B - Largeur du roulement ou de la bague intérieure | 29 mm |
| r1s - Rayon mini de Raccordement | 2 mm |
| α - Angle de contact | 30 ° |
| Matière Cage | Laiton |
| Masse | 1,76 kg |

| PERFORMANCE PRODUIT | | Ca - Capacité charge axiale dynamique | 118 kN |
| C0a - Capacité charge axiale statique | 170 kN |
| Cu - Charge limite à la fatigue | 7,3 kN |
| Tmin - Température mini de Fonctionnement | -40 °C |
| Tmax - Température max de Fonctionnement | 120 °C |
| DIMENSIONS D'INSTALLATION | | ra max - Rayon max de raccordement arbre & logement | 2 mm |
| Da max - Diamètre max épaulement BE | 110 mm |
| Da min - Diamètre mini épaulement BE | 65 mm |
