
Zaloguj
Dodaj do koszykaDocumentation
Product information
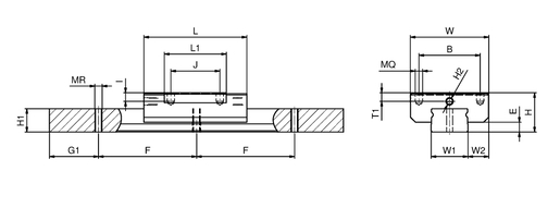
| WYMIARY PRODUKTU | |
|---|---|
| Marka | SNR |
| Serie | LGM |
| Wersja wózka | X |
| Size | 15 |
| Typ projektu | BN |
| liczba wózków | 2 |
| Uszczelnienie | BB - End seals on both sides, side seals |
| Mocowanie szyn | C |
| Długość szyn | 200 mm |
| Klasa dokładności | N |
| Klasa napięcia wstępnego | Z0 |
| Ustawienie szyn | 1 |
| Materiał | Corrosion resistant material |
| Opcje specjalne | N - Standard |
| Przyłącze smarujące | 02 - Cup head grease nipple 0° |
| Smar | A - SNR LUB HEAVY DUTY |
| H | 16 mm |
| W | 32 mm |
| W2 | 8,5 mm |
| E | 4 mm |
| L - Długość | 42 mm |
| B - Szerokość kołnierza | 25 mm |
| J | 20 mm |
| MQ | M 3 |
| l | 3,5 mm |
| L1 | 25,3 mm |
| H2 | M 3 |
| T1 | 3,5 mm |
| N | 5 mm |
| H3 | M 3 |
| W1 | 15 mm |
| H1 | 9,5 mm |
| G1 | 20 mm |
| F | 40 mm |
| MR | 0 |
| t | 9.5 |
| Waga | 0,304 kg |

| WYDAJNOŚĆ PRODUKTU | |
|---|---|
| C50 | 5,51 kN |
| C100 | 4,37 kN |
| C0 | 5,66 kN |
| Mx | 0,04 kN-m |
| My | 0,026 kN-m |
| Mz | 0,026 kN-m |

