
Documentation
Product information
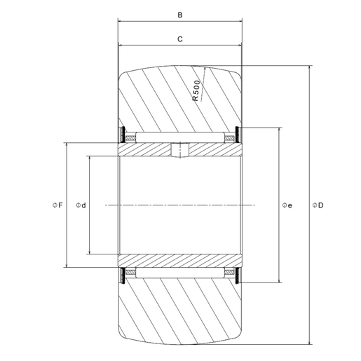
| WYMIARY PRODUKTU | | Marka | NTN |
| d - Średnica wewnętrzna | 50 mm |
| D - Średnica zewnętrzna | 90 mm |
| C - Szerokość pierścienia cienkościennego lub zewnętrznego | 22,7 mm |
| F - Średnica pod rolką | 58 mm |
| B - Szerokość łożyska/ pierścienia wewnętrznego | 23 mm |
| e - Średnica wlotu rolki lub podkładki | 68 mm |
| R - Promień rolki gąsienic | 500 mm |
| rs - Minimalny promień zaokrąglenia | 0,6 mm |
| Łożysko bez/z koszykiem | Avec |
| Klasa luzu promieniowego | CN |
| Klasa dokładności | P0 |
| Waga | 0,682 kg |
| WYDAJNOŚĆ PRODUKTU | | Cr - Ocena obciążenia dynamicznego | 31 kN |
| C0r - Ocena obciążenia statycznego | 66 kN |
| Sferyczny pierścień zewnętrzny nośności gąsienic | 11,4 kN |
| N lim - Prędkość graniczna smarowania smarem | 2600 tr/min |
| Tmin - Min czas pracy | -20 °C |
| Tmax - Maks temperatura pracy | 100 °C |