
Sferyczna średnica zewnętrzna, łożysko z powłoką z cynku, mocowanie przez wkręty mocujące, uszczelnienie L4
Łożyska samonastawne są oferowane z różnymi akcesoriami mocującymi ułatwiającymi montaż
Documentation
Product information
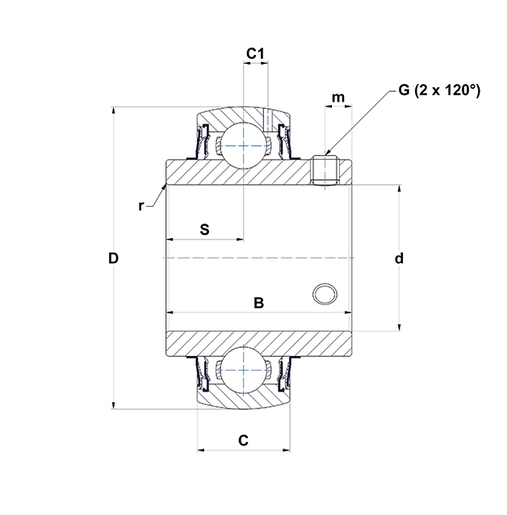
| WYMIARY PRODUKTU | | Marka | SNR |
| B - Szerokość Pierścienia Wewnętrznego | 42,9 mm |
| C - Szerokość pierścienia zewnętrznego | 20 mm |
| C1 - Odległość środka OR do środka strefy smarowania | 5,8 mm |
| d - Średnica wału | 36,513 mm |
| D - Średnica zewnętrzna OR | 72 mm |
| G - Ustaw rozmiar śruby | 5/16-24UNF |
| m - Odległość do śruby ustalającej | 6,5 mm |
| r - Pierścień wewnętrzny promienia | 1.1 |
| S - Odległość czoła do środka łożyska | 17,5 mm |
| f0 - Współczynnik | 14 |
| SW - Rozmiar klucza | 3,969 mm |

| WYDAJNOŚĆ PRODUKTU | | C - Ocena nośności dynamicznej | 25,7 kN |
| C0 - Ocena nośności statycznej | 15,2 kN |
| Minimalna temperatura pracy | -20 °C |
| Maksymalna temperatura pracy | 100 °C |
| INNE FUNKCJE | | Waga | 0,45 kg |
| Zalecane momenty dokręcania dla zestawu śrub | 8 N-m |
| CZĘSTOTLIWOŚCI ŁOŻYSK | | BPFO - Częstotliwość przetaczania na pierścieniu zewnętrznym (60 obr./min) | 3,582 Hz |
| BPFI - Częstotliwość przetaczania na pierścieniu wewnętrznym (60 obr./min) | 5,418 Hz |
| BSF - Częstotliwość przetoczenia na elemencie tocznym (60 obr./min) | 4,696 Hz |
| BRF - Częstotliwość rotacji elementu tocznego (60 obr./min) | 2,348 Hz |
| FTF - Częstotliwość obrotowa - koszyk (60 obr./min) | 0,398 Hz |