
Войти
Добавить этот товар в корзинуDocumentation
Product information
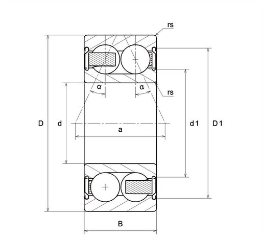
| РАЗМЕРЫ ИЗДЕЛИЯ | | Марка | NTN |
| d - Внутренний диаметр | 40 mm |
| D - Наружный диаметр | 80 mm |
| B - Ширина подшипника/внутреннего кольца | 30,2 mm |
| а - Точка приложения нагрузки на оси | 39,4 mm |
| α - Угол контакта | 25 ° |
| rs - Минимальный радиус галтели | 1,1 mm |
| Класс радиального зазора | CN |
| Класс точности | P0 |
| Вес | 0,631 kg |

| ПРОИЗВОДИТЕЛЬНОСТЬ ПРОДУКТА | | C - Динамическая грузоподъёмность | 36,5 kN |
| C0 - Статическая грузоподъёмность | 29 kN |
| Cu - Предельная усталостная нагрузка | 1,7 kN |
| N lim - Предельная скорость при смазывании маслом | 7100 tr/min |
| N lim - Предельная скорость при смазывании консистентной смазкой | 5600 tr/min |
| Tmin - Мин. рабочая температура | -20 °C |
| Tmax - Макс. рабочая температура | 120 °C |
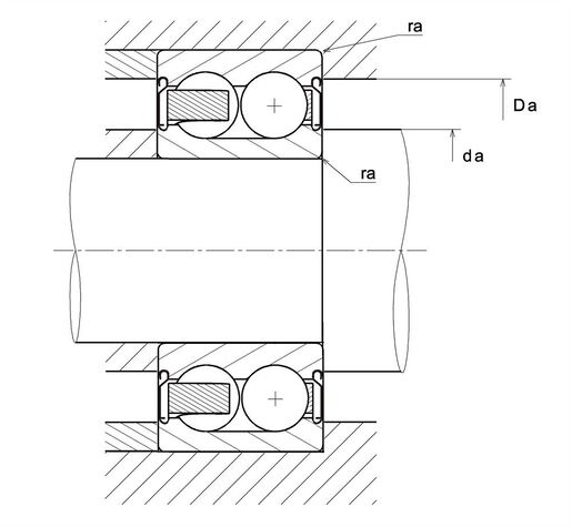
| РАЗМЕРЫ ОКРУЖАЮЩИХ ДЕТАЛЕЙ | | da min - Минимальный диаметр буртика вала | 47 mm |
| da max - Максимальный диаметр буртика вала | 0 mm |
| Da max - Максимальный диаметр буртика корпуса | 73 mm |
| ra max - Максимальный радиус галтели вала и корпуса | 1 mm |
