
silindirik dış çap, eksantrik kilitleme kelepçesi ile sabitleme , tek dudaklı keçe
Rulman üniteleri için insert rulmanlar, kolay montaj için farklı kilitleme ekipmanları ile sunulmaktadır.
Giriş Yap
Bu ürünü sepetinize ekleyinDocumentation
Product information
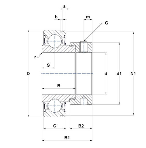
| ÜRÜN BOYUTLARI | | Marka | SNR |
| a - Dış bilezik kanalları arasındaki mesafe | 3,7 mm |
| b - Dış bilezikte kanal genişliği | 2,7 mm |
| B - İç bileziğin genişliği | 30,2 mm |
| B1 - İç bileziğin toplam genişliği | 43,7 mm |
| B2 - Eksantrik kilitleme kelepçesi/somun genişliği | 18,3 mm |
| C - Dış bileziğin genişliği | 20 mm |
| d - Mil çapı | 50 mm |
| d1 - Eksantrik kilitleme kelepçesi/germe manşonu somununun dış çapı | 69,9 mm |
| D - Dış bileziğin dış çapı | 90 mm |
| G - Ayar vidası boyutu | M8x1 |
| m - Ayar vidasına (setskur) mesafe | 6,5 mm |
| N1 - Dış bilezikte kanal çapı | 86,79 mm |
| r - İç bilezik yarıçapı | 1.5 |
| S - Mesafe yüzeyinden yatak merkezine | 10 mm |
| f0 - Faktör | 14.4 |
| SW - Anahtar ölçüsü | 4 mm |

| ÜRÜN PERFORMANSI | | C - Dinamik yük kapasitesi | 35,1 kN |
| C0 - Statik yük kapasitesi | 23,2 kN |
| Min. Çalışma sıcaklığı | -20 °C |
| Maks. Çalışma sıcaklığı | 100 °C |
| DİĞER ÖZELLİKLER | | Kütle | 0,8 kg |
| Tavsiye edilen tork - ayar vidası [Nm] | 11,5 N-m |
| RULMAN FREKANSLARI | | BPFO - Milin tam dönüşünde dış bilezikteki tek noktadan geçen yuvarlanma elemanı sayısı (60 rpm) | 4,093 Hz |
| BPFI - Milin tam dönüşünde iç bilezikteki tek noktadan geçen yuvarlanma elemanı sayısı (60 rpm) | 5,907 Hz |
| BSF - Milin tam dönüşünde yuvarlanma elemanının dönme sayısı (60 rpm) | 5,33 Hz |
| BRF - Dönüş sıklığı - yuvarlanma elemanı (60 rpm) | 2,665 Hz |
| FTF - Dönüş sıklığı - kafes (60 rpm) | 0,409 Hz |