
İğneli rulman, eksenel silindirik makaralı rulman, kafes grubu, K874 serisi
Giriş Yap
Bu ürünü sepetinize ekleyinDocumentation
Product information
| ÜRÜN BOYUTLARI | | Marka | NTN |
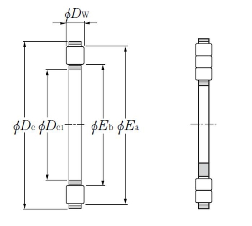
| Dw - Yuvarlanma elemanı çapı | 8 mm |
| Dc1 - Makara kafesi delik çapı | 50 mm |
| Dc - Makara kafesi dış çapı | 110 mm |
| İç bilezik - WS | WS87410 |
| Dış bilezik - GS | GS87410 |
| Ea - Makara referansı dış çap | 106 mm |
| Eb - Makara referansı iç çap | 56 mm |
| Kafes kütlesi | 0,26 kg |

| ÜRÜN PERFORMANSI | | Ca - Dinamik eksenel yük kapasitesi | 168 kN |
| C0a - Statik eksenel yük kapasitesi | 680 kN |
| N lim - gres | 730 tr/min |
| N lim - sıvı yağ | 2900 tr/min |
| Tmin - Min. Çalışma sıcaklığı | -20 °C |
| Tmax - Maks. Çalışma sıcaklığı | 120 °C |