
Diametro esterno cilindrico, fissaggio con grani filettati, tenuta a labbro singolo
Cuscinetti-inserti per supporti orientabili disponibili con diversi sistemi di montaggio su albero e facili da montare.
Accedi
Aggiungi prodotto al carrelloDocumentation
Product information
| CARATTTERISTICHE TECNICHE | | Marchio | SNR |
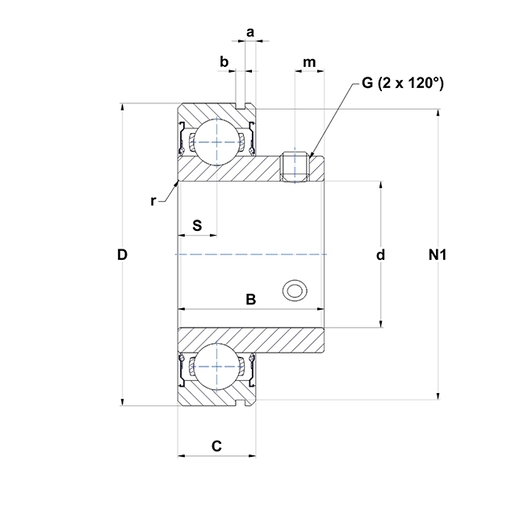
| a - Distanza dalle scanalature nell'AE | 2,38 mm |
| b - Larghezza scanalatura nell'AE | 1,35 mm |
| B - Larghezza Anello interno | 27 mm |
| C - Larghezza anello esterno | 15 mm |
| d - diametro interno | 23,813 mm |
| D - Diametro esterno AE | 52 mm |
| G - Impostazione dimensione vite | 1/4-28UNF |
| m - Regolazione della distanza della vite | 5 mm |
| N1 - Diametro scanalatura AE | 49,73 mm |
| r - Raggio dell'anello interno | 1 |
| S - Distanza tra faccia e centro del cuscinetto | 7,5 mm |
| f0 - Fattore | 14 |
| SW - Dimensione Chiave | 3,175 mm |

| PRESTAZIONI | | C - Capacità di carico dinamico | 14 kN |
| C0 - Capacità di carico statico | 7,88 kN |
| Temperatura minima di funzionamento | -20 °C |
| Temperatura massima di funzionamento | 100 °C |
| ALTRE CARATTERISTICHE | | Peso | 0,18 kg |
| Coppia di serraggio raccomandata per viti fissaggio cave | 3,7 N-m |
| FREQUENZE DEL CUSCINETTO | | BPFO - Frequenza di passaggio sulla pista esterna (60 rpm) | 3,582 Hz |
| BPFI - Frequenza di passaggio sulla pista interna (60 rpm) | 5,418 Hz |
| BSF - Frequenza di passaggio degli elementi volventi (60 rpm) | 4,697 Hz |
| BRF - Frequenza di rotazione degli elementi volventi (60 rpm) | 2,348 Hz |
| FTF - Frequenza di rotazione della gabbia (60 rpm) | 0,398 Hz |