
Nadellager, Kurvenrolle, vollrollig, Schlitz für Schlitzschraubendreher, Gewindebohrung, zweiseitig gedichtet, sphärischer Außenring
Einloggen
Um dieses Produkt in Ihren Warenkorb zu legenDocumentation
Product information
| TECHNISCHE EIGENSCHAFTEN | | Marke | NTN |
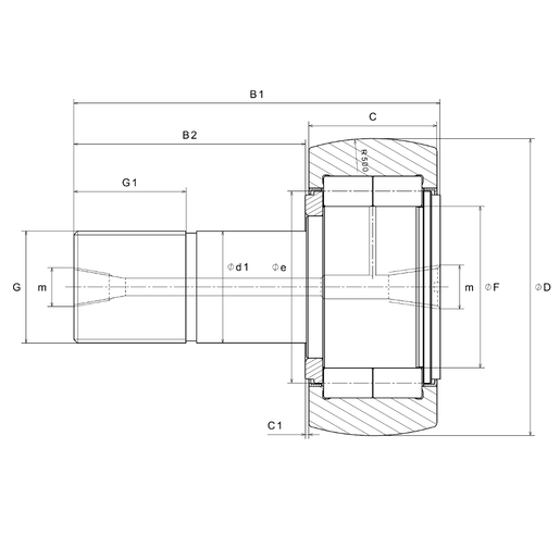
| D - Außendurchmesser | 47 mm |
| d1 - Zapfendurchmesser | 20 mm |
| C - Breite des Lagers, der Hülse oder des Außenrings | 24 mm |
| F - Innerer Hüllkreisdurchmesser | 25,5 mm |
| B - Breite des Lagers/Innenrings | 25,5 mm |
| B1 - Gesamtlänge des Zapfens | 66 mm |
| B2 - Länge der Bolzenstange | 40,5 mm |
| G - Bezeichnung des Bolzengewindes | M20X1.5 |
| G1 - Gewindelänge des Zapfens | 21 mm |
| C1 - Abstand zwischen Rollenstirnfläche und Scheibenstirnfläche | 0,8 mm |
| m - Bezeichnung der Gewindeschmierbohrung | Rc 1/8 |
| e - Eingangsdurchmesser der Rolle oder Scheibe | 27 mm |
| R - Radius der Laufrolle | 500 mm |
| Max Anziehmoment | 98 N-m |
| Wälzlager mit/ohne Käfig | Sans |
| Radiallagerluftklasse | CN |
| Präzisionsklasse | P0 |
| Masse | 0,38 kg |

| PRODUKTLEISTUNG | | Cr - Dynamische Tragzahl | 38,5 kN |
| C0r - Statische Tragzahl | 48 kN |
| Tragzahl balliger Lageraußenring | 4,7 kN |
| N lim - Grenzdrehzahl mit Fettschmierung | 4000 tr/min |
| Tmin - Min Betriebstemperatur | -20 °C |
| Tmax - Max Betriebstemperatur | 120 °C |