
Cuerpo de fundición, rodamiento inserto de bolas de contacto radial, con tornillo de fijación, junta de estanqueidad con arandela de obturación
Soportes autoalineantes con numerosas opciones de elección de soportes de fijación, disponibles en diferentes versiones de materiales: fundición, inox o plástico.
Este kit contiene la(s) siguiente(s) referencia(s)
- FC210D1
- UC210D1
Conectarse
Adjuntar este producto a tu cestaDocumentation
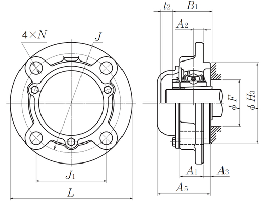
Product information
| PRODUCT DEFINITION | |
|---|---|
| Marca | NTN |
| Housing Height (A1C) | 29 mm |
| Distance from mounting surface to raceway (A2) | 10 mm |
| Centering height (A3) | 12 mm |
| Total height including cast dust cover (A5) | 72 mm |
| Insert IR width (B) | 51,6 mm |
| Bore dia. (shaft diameter) | 50 |
| H3 - Diámetro de centrado | 110 mm |
| Pitch dia. of attachment bolt holes (J) | 138 mm |
| Distance of attachment bolt holes (FC2, FCX, FCG2) (J1) | 97,6 mm |
| Overall length (L) | 165 mm |
| Dia. of attachment bolt hole (N) | 16 mm |
| Distance IR face - middle of bearing raceway (S) | 19 mm |
| Distance between insert and cast dust cover (t2) | 12 mm |
| OTHER FEATURES | |
|---|---|
| Peso | 3,6 kg |