
Diámetro exterior esférico, fijación por ajuste, junta de un labio
Los rodamientos insertos para soportes autoalineantes están disponibles con diferentes soportes para facilitar el montaje.
Conectarse
Adjuntar este producto a tu cestaDocumentation
Product information
| CARACTERÍSTICAS TÉCNICAS | | Marca | SNR |
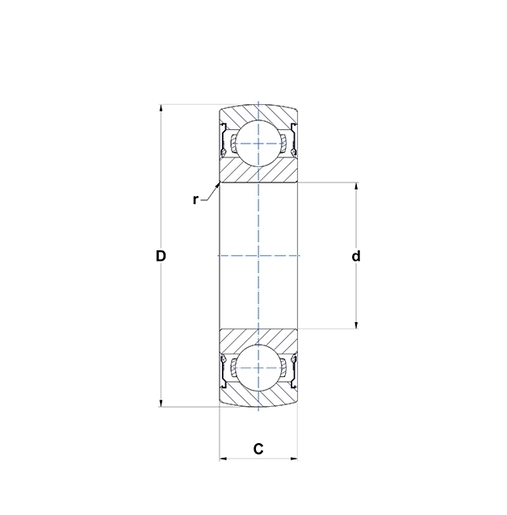
| C - Ancho anillo exterior | 16 mm |
| d - Diámetro eje | 30 mm |
| D - Diámetro exterior AE | 62 mm |
| r - Radio anillo interior | 0.6 |
| f0 - Factor | 13.7 |

| PRESTACIONES | | C - Capacidad de carga dinámica | 19,5 kN |
| C0 - Capacidad de carga estática | 11,5 kN |
| Temperatura min de funcionamiento | -20 °C |
| Temperatura max de funcionamiento | 100 °C |
| OTRAS CARACTERÍSTICAS | | Peso | 0,18 kg |
| FRECUENCIAS DEL RODAMIENTO | | BPFO - Factor de frecuencia de la sobrerrodadura en el anillo exterior (60 rpm) | 3,568 Hz |
| BPFI - Factor de frecuencia de la sobrerrodadura en el anillo interior (60 rpm) | 5,432 Hz |
| BSF - Factor de frecuencia de la sobrerrodadura del elemento rodante(60 rpm) | 4,622 Hz |
| BRF - Frecuencia del paso del anillo sobre el elemento rodante (60 rpm) | 2,311 Hz |
| FTF - Factor de frecuencia de la jaula (60 rpm) | 0,396 Hz |