
Rodamiento de agujas, rodillo de leva, sin jaula, con anillo interior, anillo exterior abombado
Conectarse
Adjuntar este producto a tu cestaDocumentation
Product information
| CARACTERÍSTICAS TÉCNICAS | | Marca | NTN |
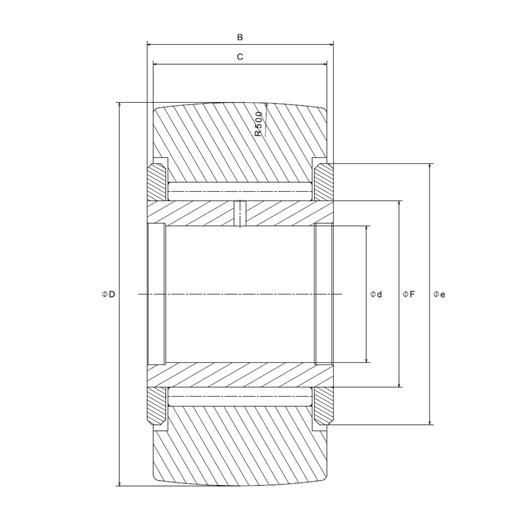
| d - Diámetro interior | 5 mm |
| D - Diámetro exterior | 16 mm |
| C - Ancho del rodamiento, casquilla o anillo exterior | 11 mm |
| F - Cota bajo rodillos | 8 mm |
| B - Ancho del rodamiento o del anillo interior | 12 mm |
| e - Diámetro de entrada rodillo o de la arandela | 12 mm |
| R - Radio de la pista rodillo | 500 mm |
| Rodamiento con / sin jaula | Sans |
| Clase de Juego Radial | CN |
| Clase de precisión | P0 |
| Peso | 0,02 kg |

| PRESTACIONES | | Cr - Capacidad carga dinámica | 6,5 kN |
| C0r - Carga carga estática | 9,35 kN |
| Carga de la pista esférica del rodillo | 1,08 kN |
| N lim - Velocidad limite lubricación grasa | 10000 tr/min |
| Tmin - Temperatura mínima | -20 °C |
| Tmax - Temperatura máxima | 120 °C |