
Conecte-se
Adcionar este produto ao seu cestaDocumentation
Product information
| CARACTERÍSTICAS TÉCNICAS | | Marca | NTN |
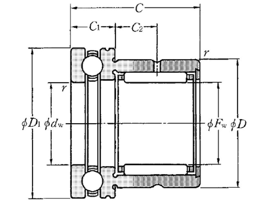
| Fw - Under rollers diameter | 40 mm |
| dw - Shaft washer bore diameter | 40 mm |
| D - External diameter | 52 mm |
| D1 - Outer diameter of washer | 60 mm |
| C - Width of bearing, drawn cup or outer ring | 32 mm |
| C1 - Thrust bearing height | 13 mm |
| C2 - Hole location | 10 mm |
| rs - Min fillet radius | 0,6 mm |
| Furo de lubrificação no anel externo | Oui/Yes |
| Classe de precisão | P0 |
| Peso | 0,216 kg |
| DESEMPENHO | | Cr - Dynamic load rating | 25,9 kN |
| Ca - Dynamic axial load rating | 26,9 kN |
| C0r - Static load rating | 52,5 kN |
| C0a - Static axial load rating | 63 kN |
| N lim - Grease lubrication limit speed | 3500 tr/min |
| N lim - Oil lubrication limit speed | 5000 tr/min |
| Tmin - Temperatura mín de operação | -20 °C |
| Tmax - Temperatura máx de operação | 120 °C |
| RECOMENDACOES DE BARREIRA | | da min - Min shoulder diameter IR | 52 mm |
| ras max - Max shaft & housing fillet radius | 0,6 mm |
