
Pedestal bipartido para rolamentos com orifício cilíndrico, feito de ferro fundido dúctil , para lubrificação com graxa
Conecte-se
Adcionar este produto ao seu cestaDocumentation
Product information
| CARACTERÍSTICAS TÉCNICAS | | Marca | SNR |
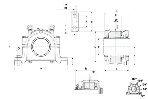
| d - Shaft diameter | 480 mm |
| d1 - Shaft diameter outlet large | 510 mm |
| a - Housing length | 1170 mm |
| b - Housing foot width | 420 mm |
| c - Housing foot height | 130 mm |
| g - Bearing seat width | 224 mm |
| h - Bearing center height | 410 mm |
| h1 - Housing height | 810 mm |
| l - Housing mid width | 460 mm |
| l1 - Width over TS | 469 mm |
| l2 - Width over TA | 551 mm |
| m - Mounting hole/punches distance (length) | 1000 mm |
| m1 - Distance punches dowel pins | 1070 mm |
| n - Mounting hole distance (width) | 260 mm |
| u - Mounting hole (width) | 48 mm |
| v - Mounting hole (length) | 60 mm |
| D - Bearing seat diameter | 700 mm |
| g1 - Distance small shaft shoulder to bearing center | 209 mm |
| W - Bearing distance | 35 mm |
| Peso do corpo | 686 kg |
| Material of Housing | ductile cast |
| Quantidade inicial de graxa | 29700 cm³ |

| PARAFUSOS | | G - Parafusos de fixação | M42 |
| Torque recomendado para os parafusos de fixação | 2800 N-m |
| Parafusos de conexão | M42x280 |
| Torque recomendado para os parafusos de conexão | 2430 N-m |
| Parafuso(s) olho | M42 |
| Carga limite a 120° | 2300 kN |
| Carga limite a 150° | 1330 kN |
| Carga limite a 180° | 1150 kN |
| QUEBRA DE CARGAS | | Breaking loads P 0° | 12160 kN |
| Breaking loads P 55° | 15360 kN |
| Breaking loads P 90° | 7360 kN |
| Breaking loads P 120° | 5400 kN |
| Breaking loads P 150° | 4800 kN |
| Breaking loads P 180° | 6080 kN |
| Breaking loads axial P a | 3840 kN |
| COMPONENTES ASSOCIADOS - GERAL | | Rolamento | 23096 |
| Anéis de fixação | 2 x FR700x29.5x15 |
| Labyrinth sealing TS | TS-530-510 |
| Taconite Sealing TA | TA-530 |
| End cover TE | TE-530 |