
Mancais autoalinháveis com diversas opções de fixação e alojamentos feitos de ferro fundido, aço inoxidável ou plástico.
Este kit contém a (s) seguinte (s) referência (s)
Conecte-se
Adcionar este produto ao seu cestaDocumentation
Product information
| CARACTERÍSTICAS TÉCNICAS | | Marca | SNR |
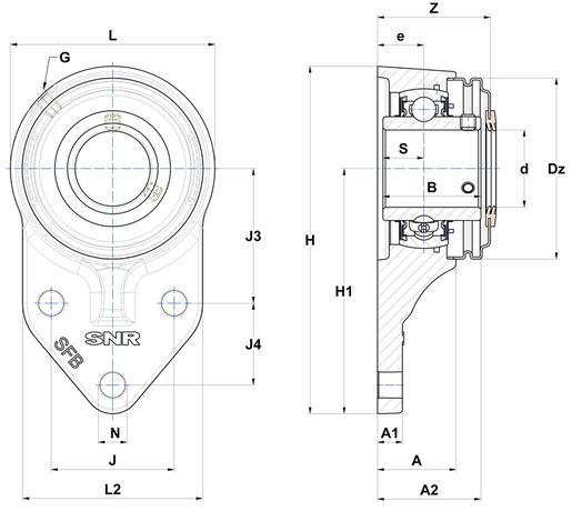
| A - Housing height | 36 mm |
| A1 - Housing foot height / flange height | 12,7 mm |
| A2 - Total height from mounting surface | 51,2 mm |
| B - Width of Inner Ring | 49,2 mm |
| d - Shaft diameter | 40 mm |
| Dz - Outer diameter of cover | 88 mm |
| e - Distance mounting surface to bearing center | 21 mm |
| G - Grease fitting | M6x1 |
| H - Housing length, width or diameter | 164 mm |
| H1 - Distance housing side to centre of bearing insert | 114 mm |
| J - Mounting holes distance | 50 mm |
| J3 - Distance mounting hole to bearing center | 60,3 mm |
| J4 - Mounting hole distance | 41,3 mm |
| L - Housing width / diameter | 100 mm |
| L2 - Housing flange width | 78 mm |
| N - Mounting hole dimension | 13,5 mm |
| S - Distance front side/bearing centre | 19 mm |
| Z - Width over covers | 58,9 mm |

| DESEMPENHO | | C - Dynamic load rating | 32 kN |
| C0 - Static load rating | 19,3 kN |
| Operating temperature min. | -20 °C |
| Operating temperature max. | 100 °C |
| OUTRAS CARACTERÍSTICAS | | Peso | 1,712 kg |
| Torque recomendado para fixação do parafuso de pressão | 8,3 N-m |