
Log in
To add this product to your basketDocumentation
Product information
| PRODUCT DEFINITION | | Brand | NTN |
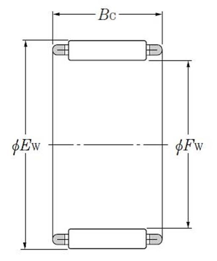
| Fw - Under rollers diameter | 37 mm |
| Ew - Upper rollers diameter | 42 mm |
| Bc - Cage Width | 17 mm |
| Mass | 0,026 kg |
| PRODUCT PERFORMANCE | | Cr - Dynamic load rating | 20,4 kN |
| C0r - Static load rating | 37,5 kN |
| N lim - Grease lubrication limit speed | 7500 tr/min |
| N lim - Oil lubrication limit speed | 11000 tr/min |
| Tmin - Min operating temperature | -20 °C |
| Tmax - Max operating temperature | 120 °C |
| ABUTMENT | | b - Raceway width | 17 mm |