
Log in
To add this product to your basketDocumentation
Product information
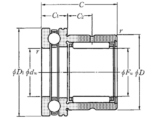
| PRODUCT DEFINITION | | Brand | NTN |
| Fw - Under rollers diameter | 45 mm |
| dw - Shaft washer bore diameter | 45 mm |
| D - External diameter | 58 mm |
| D1 - Outer diameter of washer | 65 mm |
| C - Width of bearing, drawn cup or outer ring | 32 mm |
| C1 - Thrust bearing height | 14 mm |
| C2 - Hole location | 9 mm |
| rs - Min fillet radius | 0,6 mm |
| Lubrication hole on outer ring | Oui/Yes |
| k - Hole diameter | 3 mm |
| Precision class | P0 |
| Mass | 0,252 kg |
| PRODUCT PERFORMANCE | | Cr - Dynamic load rating | 27,6 kN |
| Ca - Dynamic axial load rating | 27,9 kN |
| C0r - Static load rating | 59 kN |
| C0a - Static axial load rating | 69 kN |
| N lim - Grease lubrication limit speed | 3200 tr/min |
| N lim - Oil lubrication limit speed | 4600 tr/min |
| Tmin - Min operating temperature | -20 °C |
| Tmax - Max operating temperature | 120 °C |
| ABUTMENT | | da min - Min shoulder diameter IR | 57 mm |
| ras max - Max shaft & housing fillet radius | 0,6 mm |
