
Split plummer block for bearings on adapter sleeve, made of grey cast, for grease lubrication
Split SN-bearing housings made of ductile- or grey cast iron with several sealing options.
This kit contains the following reference(s)
Log in
To add this product to your basketDocumentation
Product information
| PRODUCT DEFINITION | | Brand | SNR |
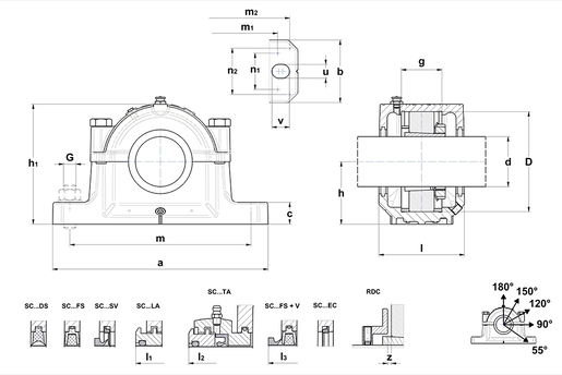
| d - Shaft diameter | 20 mm |
| a - Housing length | 165 mm |
| b - Housing foot width | 46 mm |
| c - Housing foot height | 19 mm |
| g - Bearing seat width | 25 mm |
| h - Bearing center height | 40 mm |
| h1 - Housing height | 74 mm |
| l - Housing mid width | 67 mm |
| l1 - Width over TS | 79 mm |
| l2 - Width over TA | 134 mm |
| l3 - Width over V-ring | 85 |
| m - Mounting hole/punches distance (length) | 130 mm |
| m1 - Distance punches (additional holes) | 116 mm |
| n1 - Distance punches for additional holes (width) | 28 mm |
| m2 - Distance punches (dowel pins) | 152 mm |
| n2 - Distance punches for dowel pins (width) | 32 mm |
| u - Mounting hole (width) | 15 mm |
| v - Mounting hole (length) | 20 mm |
| D - Bearing seat diameter | 52 mm |
| z - RDC/bearing distance | 2 mm |
| Initial grease quantity | 30 cm³ |
| Diameter dowel pins | 5 mm |
| m3 - Distance blind hole bottom pins | 101 mm |

| SEALINGS AND COVER | | Sealing DS | SC 505 DS |
| Sealing LA | SC 505 LA |
| Sealing FS | SC 505 FSS |
| Sealing TA | SC 505 TA |
| Sealing SV | SC 505 SV |
| end cover EC | SC505EC |
| V-ring option | V20A |
| BOLTS | | G - Fixing bolts | M12 |
| Recommended torque fixing bolts | 65 N-m |
| Connection bolts | M10x40 |
| Recommended torque connection bolts | 35 N-m |
| Maximum loads 120° | 60 kN |
| Maximum loads 150° | 35 kN |
| Maximum loads 180° | 30 kN |
| BREAKING LOADS | | Breaking loads P 0° | 180 kN |
| Breaking loads P 55° | 160 kN |
| Breaking loads P 90° | 95 kN |
| Breaking loads P 120° | 70 kN |
| Breaking loads P 150° | 60 kN |
| Breaking loads P 180° | 80 kN |
| ASSOCIATED COMPONENTS - GENERAL | | Regulation disc | RDC505 |
| ASSOCIATED COMPONENTS - OPTION 1 | | Bearing | 1205K |
| Adapter sleeve | H 205 |
| Fixing ring (x2) | FR52x5x3 |
| ASSOCIATED COMPONENTS - OPTION 2 | | Bearing | 2205K |
| Adapter sleeve | H 305 |
| Fixing ring (x2) | FR52x3,5x3,5 |
| ASSOCIATED COMPONENTS - OPTION 3 | | Bearing | 22205K |
| Adapter sleeve | H 305 |
| Fixing ring (x2) | FR52x3,5x3,5 |