
Split plummer block for bearings with cylindrical bore, made of ductile cast, for grease lubrication
Split SN-bearing housings made of ductile- or grey cast iron with several sealing options.
This kit contains the following reference(s)
Log in
To add this product to your basketDocumentation
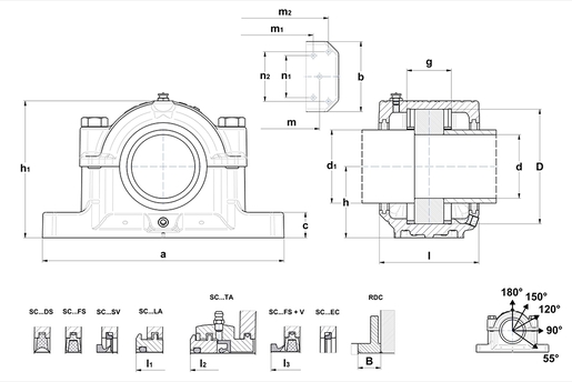
Product information
| PRODUCT DEFINITION | | Brand | SNR |
| d - Shaft diameter | 140 mm |
| d1 - Shaft diameter outlet large | 155 mm |
| D1 - Fixation holes MH1 | 35 mm |
| D2 - Fixation holes MH2 | 26 mm |
| a - Housing length | 500 mm |
| b - Housing foot width | 150 mm |
| c - Housing foot height | 50 mm |
| g - Bearing seat width | 98 mm |
| h - Bearing center height | 150 mm |
| h1 - Housing height | 302 mm |
| l - Housing mid width | 205 mm |
| l1 - Width over TS | 221 mm |
| l2 - Width over TA | 285 mm |
| l3 - Width over V-ring | 241 |
| m - Mounting hole/punches distance (length) | 420 mm |
| m1 - Distance punches (additional holes) | 400 mm |
| n1 - Distance punches for additional holes (width) | 92 mm |
| m2 - Distance punches (dowel pins) | 458 mm |
| n2 - Distance punches for dowel pins (width) | 108 mm |
| D - Bearing seat diameter | 250 mm |
| B - Width RDC | 22 mm |
| Initial grease quantity | 2000 cm³ |
| Diameter dowel pins | 8 mm |
| m3 - Distance blind hole bottom pins | 327 mm |

| SEALINGS AND COVER | | Sealing DS | SC 228 DS |
| Sealing LA | SC 228 LA |
| Sealing FS | SC 228 FS |
| Sealing TA | SC 228 TA |
| Sealing SV | SC 228 SV |
| end cover EC | SC228-528EC |
| V-ring option | V160A |
| BOLTS | | Connection bolts | M24x140 |
| Recommended torque connection bolts | 500 N-m |
| Maximum loads 120° | 360 kN |
| Maximum loads 150° | 210 kN |
| Maximum loads 180° | 180 kN |
| BREAKING LOADS | | Breaking loads P 0° | 2250 kN |
| Breaking loads P 55° | 1908 kN |
| Breaking loads P 90° | 1134 kN |
| Breaking loads P 120° | 855 kN |
| Breaking loads P 150° | 774 kN |
| Breaking loads P 180° | 954 kN |
| ASSOCIATED COMPONENTS - GENERAL | | Regulation disc | RDC228 |
| ASSOCIATED COMPONENTS - OPTION 1 | | Bearing | 22228 |
| Fixing ring (x2) | FR250x15x6 |
| ASSOCIATED COMPONENTS - OPTION 2 | | Bearing | 23228 |
| Fixing ring (x2) | FR250x5x6 |