
Split plummer block housing for spherical roller bearings with cylindrical bore, made of grey cast, for oil lubrication
Split Plummer Blocks made of grey- or ductile cast iron for through shaft or shaft end.
Log in
To add this product to your basketDocumentation
Product information
| PRODUCT DEFINITION | | Brand | SNR |
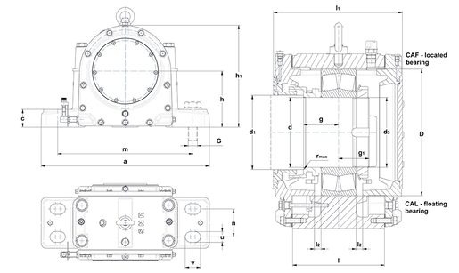
| d - Shaft diameter | 140 mm |
| d1 - Shaft diameter outlet large | 150 mm |
| d3 - Thread on shaft | M140x2 |
| a - Housing length | 570 mm |
| b - Housing foot width | 175 mm |
| c - Housing foot height | 65 mm |
| g - Distance large shaft shoulder to bearing center | 73 mm |
| g1 - Distance small shaft shoulder to bearing center | 58 mm |
| h - Bearing center height | 190 mm |
| h1 - Housing height | 355 mm |
| l - Housing mid width | 180 mm |
| l1 - Housing width over covers | 269 mm |
| l2 - Floating bearing displacement (x2) | 0 mm |
| m - Mounting hole/punches distance (length) | 460 mm |
| n - Mounting hole distance (width) | 100 mm |
| u - Mounting hole (width) | 36 mm |
| v - Mounting hole (length) | 50 mm |
| r - Max shaft shoulder radius | 2,5 mm |
| D - Bearing seat diameter | 250 mm |
| Oil level | 55-70 mm |
| Oil quantity | 3700 cm³ |
| Mass | 113 kg |
| Material of Housing | grey cast |

| ASSOCIATED COMPONENTS - GENERAL | | Bearing | 22228 |
| Nut | KM 28 |
| Lock washer | MB 28 |
| ASSOCIATED COMPONENTS - OPTION | | Feltstrips (optional) | 9x7,5x584 |
| BOLTS | | G - Fixing bolts | M30 |
| Recommended torque | 870 N-m |
| Connection bolts | M20 |
| Recommended torque | 260 N-m |
| Eye bolt(s) | M16 |