
Ce kit contient les articles suivants
Se connecter
Pour ajouter ce produit au panierDocumentation
Product information
| DEFINITION TECHNIQUE | | Marque | SNR |
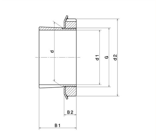
| d1 - Diamètre de l'alésage du manchon | 25 mm |
| d - Diamètre Intérieur | 30 mm |
| d2 - Diamètre extérieure de l'écrou à encoches | 45 mm |
| B1 - Longueur du manchon | 27 mm |
| B2 - Distance face d'appui roulement et face arrière écrou | 8 mm |
| G - Désignation du filetage | M30X1.5 |
| Masse | 0,099 kg |

| CARACTÉRISTIQUES TECHNIQUES | | Roulement associé | 1206 |
| Type d'alésage | Conique 1:12 |