
Mancais autoalinháveis com diversas opções de fixação e alojamentos feitos de ferro fundido, aço inoxidável ou plástico.
Este kit contém a (s) seguinte (s) referência (s)
Conecte-se
Adcionar este produto ao seu cestaDocumentation
Product information
| CARACTERÍSTICAS TÉCNICAS | | Marca | SNR |
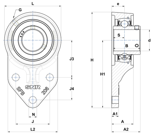
| A - Housing height | 39 mm |
| A1 - Housing foot height / flange height | 12,7 mm |
| A2 - Total height from mounting surface | 54,6 mm |
| B - Width of Inner Ring | 51,6 mm |
| d - Shaft diameter | 50 mm |
| e - Distance mounting surface to bearing center | 22 mm |
| G - Grease fitting | M6x1 |
| H - Housing length, width or diameter | 186,5 mm |
| H1 - Distance housing side to centre of bearing insert | 131,8 mm |
| J - Mounting holes distance | 69,9 mm |
| J3 - Distance mounting hole to bearing center | 74,7 mm |
| J4 - Mounting hole distance | 41,4 mm |
| L - Housing width / diameter | 109,5 mm |
| L2 - Housing flange width | 101,5 mm |
| N - Mounting hole dimension | 13,5 mm |
| S - Distance front side/bearing centre | 19 mm |

| DESEMPENHO | | C - Dynamic load rating | 35 kN |
| C0 - Static load rating | 23,1 kN |
| Operating temperature min. | -20 °C |
| Operating temperature max. | 100 °C |
| OUTRAS CARACTERÍSTICAS | | Peso | 2,17 kg |
| Torque recomendado para fixação do parafuso de pressão | 18,7 N-m |