
Łożysko igiełkowe cienkościenne, nieprzelotowe
Documentation
Product information
| WYMIARY PRODUKTU | | Marka | NTN |
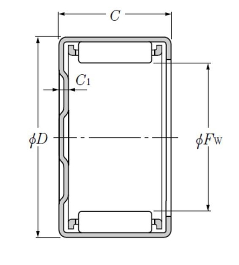
| Fw - średnica pod rolkami | 30 mm |
| D - Średnica zewnętrzna | 37 mm |
| C - Szerokość pierścienia cienkościennego lub zewnętrznego | 16 mm |
| C1 - Maksymalne wgłębienie wpustu łożyska igiełkowego cienkościennego zamkniętego | 2,7 mm |
| Otwór smarowania na pierścienia zewnętrznego | Non/No |
| Oznaczenie pierścieniu wewnętrznym | IR25X30X17 |
| Waga | 0,037 kg |

| WYDAJNOŚĆ PRODUKTU | | Cr - Ocena obciążenia dynamicznego | 18,1 kN |
| C0r - Ocena obciążenia statycznego | 30 kN |
| N lim - Prędkość graniczna smarowania smarem | 5500 tr/min |
| N lim - Prędkość graniczna smarowania olejem | 8000 tr/min |
| Tmin - Min czas pracy | -20 °C |
| Tmax - Maks temperatura pracy | 120 °C |