
Documentation
Product information
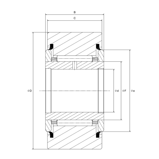
| WYMIARY PRODUKTU | | Marka | NTN |
| d - Średnica wewnętrzna | 25 mm |
| D - Średnica zewnętrzna | 52 mm |
| C - Szerokość pierścienia cienkościennego lub zewnętrznego | 24 mm |
| F - Średnica pod rolką | 30 mm |
| B - Szerokość łożyska/ pierścienia wewnętrznego | 25 mm |
| e - Średnica wlotu rolki lub podkładki | 42 mm |
| Łożysko bez/z koszykiem | Avec |
| Klasa luzu promieniowego | CN |
| Klasa dokładności | P0 |
| Waga | 0,275 kg |
| WYDAJNOŚĆ PRODUKTU | | Cr - Ocena obciążenia dynamicznego | 22,8 kN |
| C0r - Ocena obciążenia statycznego | 40,5 kN |
| Cylindryczny pierścień zewnętrzny nośności gąsienic | 23,3 kN |
| N lim - Prędkość graniczna smarowania smarem | 5000 tr/min |
| Tmin - Min czas pracy | -20 °C |
| Tmax - Maks temperatura pracy | 100 °C |