
Documentation
Product information
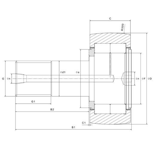
| WYMIARY PRODUKTU | | Marka | NTN |
| D - Średnica zewnętrzna | 140 mm |
| d1 - Średnica kołka | 48 mm |
| C - Szerokość pierścienia cienkościennego lub zewnętrznego | 57 mm |
| F - Średnica pod rolką | 65 mm |
| B - Szerokość łożyska/ pierścienia wewnętrznego | 60 mm |
| B1 - Całkowita długość kołka | 160 mm |
| B2 - Długość pręta rozporowego | 100 mm |
| G - Oznaczenie gwintu szpilki | M48X1.5 |
| G1 - Długość gwintu kołka | 52 mm |
| C1 - Odległość między powierzchnią wałka a powierzchnią podkładki | 1,5 mm |
| m - Oznaczenie gwintowanego otworu smarowego | Rc 1/8 |
| e - Średnica wlotu rolki lub podkładki | 72,5 mm |
| h - Sześciokątny otwór | 14 mm |
| R - Promień rolki gąsienic | 500 mm |
| Maks momenty dokręcania | 1540 N-m |
| Łożysko bez/z koszykiem | Sans |
| Klasa luzu promieniowego | CN |
| Klasa dokładności | P0 |
| Waga | 7,98 kg |
| WYDAJNOŚĆ PRODUKTU | | Cr - Ocena obciążenia dynamicznego | 201 kN |
| C0r - Ocena obciążenia statycznego | 294 kN |
| Sferyczny pierścień zewnętrzny nośności gąsienic | 20 kN |
| N lim - Prędkość graniczna smarowania smarem | 1500 tr/min |
| Tmin - Min czas pracy | -20 °C |
| Tmax - Maks temperatura pracy | 120 °C |